
Официальные материалы задания, ответы на Олимпиаду имени М. В. Ломоносова Отборочный этап по Высоким технологиям 2025-2026г. Готовые решения на задачи по Высоким технологиям для 5-9 класса, все материалы публикуются регулярно и доступны за символическую плату.
Задания Отборочного этапа по Высоким технология 5-9 класс:
Задание 1. Задача по математике. Волокнистый цеолит

1. Оцените величину удельной площади поверхности (то есть, площадь в м2, приходящуюся на 1 грамм материала) волокнистого цеолита – эрионита, – если известно, что диаметр его волокон равен d=10 нм, а их плотность составляет ρ=2,1 г/см3. Площадью торцов волокон при расчетах пренебречь.
2. Сколько волокон длиной l=700 мкм содержится в одном грамме цеолита?
Показать ответ
Задание 2. Задача по биологии. Выбор ботаника

Перед вами две вазы, в первой стоит камыш, бамбук, орхидея Венерин башмачок и ирисы, во второй — клевер‚ пастушья сумка, васильки и люпин./
В какую из двух ваз вы поставите цветы: белокрыльник, нарциссы, розу, если вы не мастер икебаны, а ботаник? Объясните свой выбор.
Показать ответ
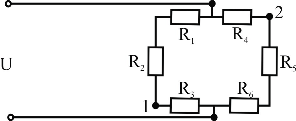
Задание 3. Задача по физике. Выравнивание потенциала

В схеме, изображенной на рисунке, сопротивление резисторов следующее: R1 = 3 Ом, R2 = 1.5 Ом, R3 = 2 Ом, R5 = 4 Ом и R6 = 5 Ом.
Определить величину сопротивления резистора R4, если разность потенциалов между точками 1 и 2 равна нулю и приложено постоянное напряжение U.
Показать ответ
Задание 4. Задача по математике. Секреты квадратной призмы

Рассмотрим четыре нанокластера из атомов металла, A, B, C и D. Если разобрать эти нанокластеры на отдельные атомы, а, затем, из всех получившихся атомов собрать новый, то получится нанокластер X.
Известно, что
• четыре числа, отвечающие общему числу атомов в каждом из нанокластеров (N(A), N(B), N(C), N(D)), образуют арифметическую последовательность с шагом 1;
• общее число атомов в нанокластере A, N(A), может быть представлено как сумма атомов двух полных квадратных слоев с ребрами a и (a+b) атомов металла, соответственно;
• нанокластер D с общим числом атомов N(D) может представлять собой
– или квадратную призму {2,10a+b} (то есть, стопку из (10a+b) одинаковых квадратных слоев, уложенных точно друг над другом, на ребро каждого из которых приходится ровно 2 атома металла);
– или полый металлический кластер (ПМК) в форме квадратной призмы {a,b} (то есть, являться внешним одноатомным слоем квадратной призмы, на ребро квадратной грани которого приходится a атомов металла, а на ребро, принадлежащее двум прямоугольным граням, – b атомов металла);
• a+b=19;
• N(pryzm{n,m})=n2m − общее число атомов в квадратной призме D{n,m}, состоящей из m квадратных слоёв, при этом на ребро каждого слоя приходится n атомов;
•N(ПМК{n,m})=2n2+4nm−4m−8n+8 − общее число атомов в ПМК, имеющем форму квадратной призмы D{n,m}, где: n − число атомов, приходящихся на ребро квадратной грани кластера, а m − число атомов, приходящихся на ребро, принадлежащее двум прямоугольным граням.
1. Рассчитайте значения a и b. Свой ответ обязательно дополните пошаговым решением. (3 балла)
2. Найдите N(A), N(B), N(C), N(D) и N(X).
3. Рассчитайте сумму всех делителей для N(C), N(D).
4. Для какого из нанокластеров сумма всех цифр общего числа атомов равна сумме всех цифр в N(X)?
Показать ответ
Задание 5. Задача по биологии. Осенний лист
На рисунке выделены области листа, окрашенные в разные цвета.
Плюсами (да) в таблице отметьте правильные утверждения о соединениях, отвечающих за окраску. У каждого плюса приведите название класса соединений. (По 1 баллу за каждый верный плюс с названием.)


Задание 6. Задача по физике. Рычажный динамометр

На рычажных весах уравновешены груз в чаше и маленький заряженный металлический шарик, который висит на невесомой непроводящей нити. Масса шарика m = 1 г. Рычаг представляет из себя цилиндрический стержень поперечного сечения S = 0,5 см2 из материала с плотностью ρ = 0,9 г/см3. Суммарная масса груза и чаши, в которой он находится M = 95 г.
Найти силу электрического взаимодействия разноименно заряженных шариков. Недостающие данные найдите на рисунке.
Показать ответ
Задание 7. Задача по химии. Наночастицы для оптики

Тетраэтоксисилан (TEOS) – бесцветная жидкость, при медленном добавлении которой к водно-спиртовому раствору в присутствии аммиака образуется белый гель, состоящий из сферических наночастиц X. Этот материал является основой многих золь-гель технологий и используется для создания просветляющих покрытий.
Определите X , напишите уравнение реакции
Показать ответ
Задание 8. Задача по химии. Переработка минерала

Первая стадия переработки минерала A, состоящего из двух химических элементов X и Y, предполагает его обжиг на воздухе при 1100оС с образованием двух новых бинарных соединений – D и E. Массовая доля элемента X в соединении A равна 28,49 %, а в соединении D, являющемся единственным твёрдым продуктом реакции, 56,04 %. В соединении E массовые доли элементов равны.
1. Определите состав соединений A, D и E. Подтвердите расчётом.
2. Напишите уравнение реакции обжига A.
Показать ответ
Задание 9. Задача по химии. Превращения порошка

Оранжевый нанопорошок неизвестного вещества X массой 68,5 г при взаимодействии с иодоводородной кислотой образует 138,3 г желтого осадка и простое вещество, пары которого имеют фиолетовый цвет. При пропускании избытка водорода над раскаленным X массой 68,5 г получено 62,1 г простого вещества Y.
1. Определите вещества X и Y. Подтвердите расчетом.
2. Напишите уравнения реакций.
Показать ответ
Задание 10. Задача по биологии. Близкие родственники
В современном мире таксономия строится на принципах филогенетики, где классификация организмов основана с учётом их общего происхождения и эволюционных связей, объединяя их в монофилетические группы. Развитие молекулярной генетики и филогенетики привело к переоценке многих таксономических групп в биологии, предоставляя более точные данные о том, кто кому приходится родственником. В таблице представлены примеры животных.
Выберите животных из первого столбца и найдите им пару из второго, так чтобы они, согласно современным филогенетическим данным, были наиболее близкими родственниками.
Часть пар может быть представлена, как текст – картинка, часть как картинка – картинка, часть как текст – текст, но это необязательно. Конечно же, не стоит исключать, что животное из первого столбца пары не имеет.

Задание 11. Задача по математике. Километры данных

Чтобы наглядно увидеть насколько эффективно нанотехнологии способны «компактизировать» информацию, сравним современный способ хранения информации в картах памяти формата MicroSD по технологии 3D QLC NAND с записью данных на бумажной ленте при помощи простого карандаша.
1. Оцените общую площадь (в см2), занимаемую кристаллом памяти, на который можно записать не менее 3 ТБ информации, если:
• элемент ячейки флэш-памяти по технологии QLC представляет собой практически плоский квадрат со стороной 20 нм,
• объем хранимой в одной такой ячейке информации равен 4 бита,
• кристалл памяти по современной 3D архитектуре представляет собой стопку из 128 слоев с информацией.
2. Рассчитайте, во сколько раз длина ленты, которая потребуется для записи 3 ТБ информации карандашом, больше или меньше расстояния от Земли до Луны, если
• ширина одного знака (точки или вертикальной черточки), используемого для записи бита, не превышает 0,4 мм,
• на длину ленты 1 см приходится 20 знаков,
• расстояние от Земли до Луны составляет ≈ 384400 км.
Показать ответ
Задание 12. Задача по физике. Формирование наночастиц

Лазерная абляция — это процесс освещения мощным излучением поверхности вещества, приводящий к вылету мельчайших частиц. Представим, что в результате такого процесса с поверхности полупроводниковой пластины вылетают N = 99 частиц одинаковой массы m одна за другой. Они имеют скорости, как указано на рисунке. Соударения абсолютно неупругие.
Найдите отношение количества теплоты, которое выделится в результате 98 соударений, и начальной кинетической энергии последней частицы.
Показать ответ
